Designing a battery management system for a 18650 4s configuration - Initial Steps
So, I have been searching the internet and books on how to design a battery management system for a 4s configuration of 18650 batteries. Now, the reason I am doing this is - to avoid using the ready made BMSs available online.
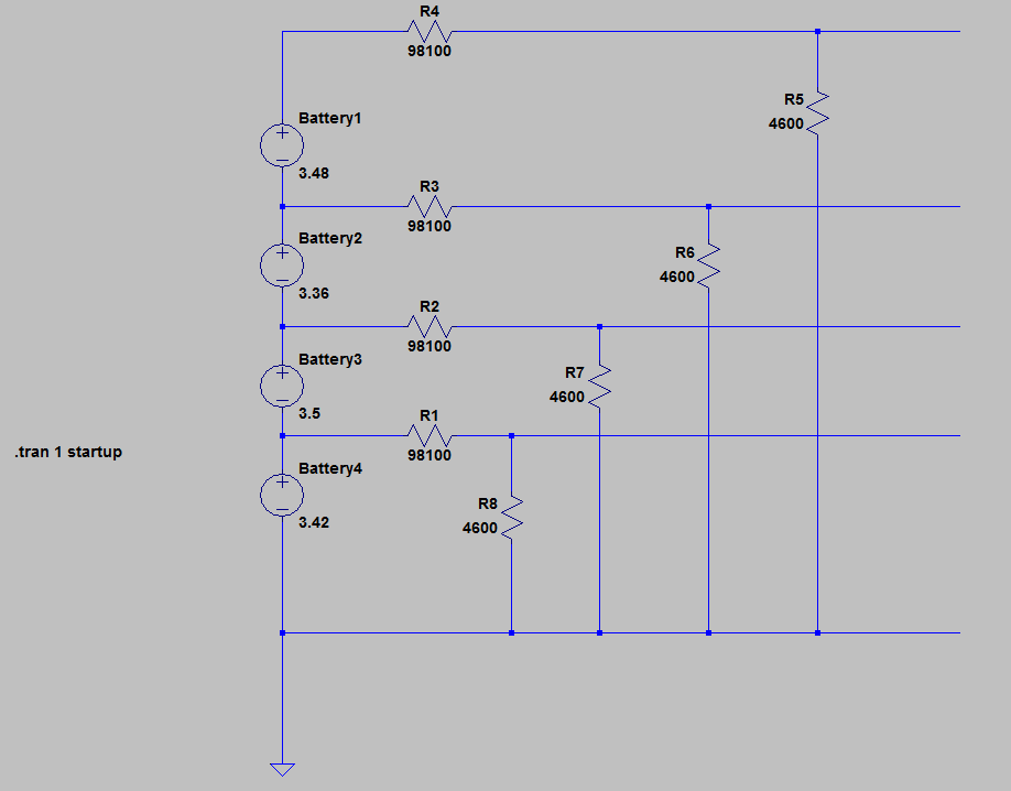
The first step of designing a BMS (according to me) is measuring the voltage of each cell in series. Now - 18650s are small but pack a lot of power - shorting one of them heats them up immediately and there can be a fire hazard.
So after reading a couple of forums and articles, the first pointer was towards “voltage divider” - with a warning that it is inaccurate. So I gave it a try. First using hand calculation and LT-Spice.
Below is the circuit diagram:

And below is the hand calculation for the case:

The ideal case shows all ideal values for the batteries and the resistors - but the I measured the resistors and 18650s I had and they were far from ideal.
So - after the hand calculation and simulation - I built the circuit with an Arduino Mega clone, tried measuring the voltages:

And below is the code:
And the results in the serial monitor look as follows:

So - as I found earlier - using voltage divider has some amount of inaccuracy - the values are off by ±0.1 volt on each battery . A few more days of research - and we will go to the next step of using a Differential Op-Amp. Only caveat is - they are costly. But they might prove to be accurate.